黎全公司的DP微型隔膜泵壓力高,常用于輸送各種粘度的介質,滿足各種工況的需求。
DP微型隔膜泵體積小、噪音低、壓力高、自吸性能好;可允許干運轉,內裝壓力開關以保護泵運轉時不受損壞;內置溢流閥控制泵的正常運行,拆裝方便,采用安全低電壓、保證人身安全。
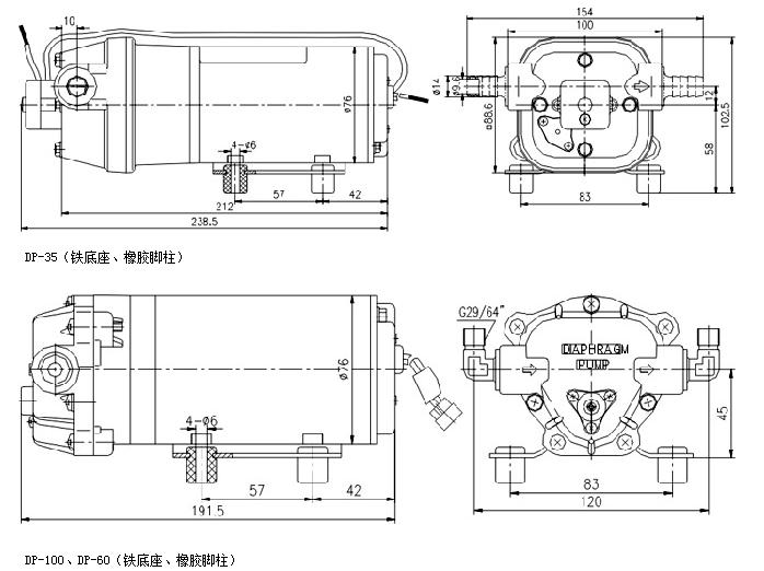
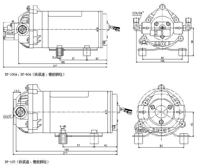
1.安裝時,需拔出隔膜泵進出口的封蓋.
2.裝有隨泵附帶的進出口接頭,DP-130 DP-125 DP-100 DP-60型隔膜泵進出口采用ZG3/8″外牙G29/64″彎管接 ? ? ?頭;DP-35隔膜泵進出口采用3/8″外牙軟管接頭.?
3.泵應按水平安裝;如需垂直安裝時,泵頭應朝下.
4.在泵的進出管道中安裝一個過濾器,這是泵有效使用的保證.(DP-35型泵頭內已裝有過濾網(wǎng),無需安裝過濾器)
5.泵的底座分尼龍底座,鐵底座橡膠腳柱.??
DP微型隔膜泵致力于家用自來水增壓、汽車沖洗、輪船上海水淡化、反滲透純水機、水處理設備、過濾機、噴霧裝置、化工計量加液及衛(wèi)生、環(huán)保、印刷等行業(yè)中
|
型號
|
電壓(VDC)
|
電流(A)
|
流量GPM(LPM)
|
轉速(r/min)
|
壓力PSI(MPa)
|
吸程(m)
|
調壓開關PSI(MPa)
|
功率(W)
|
|
DP-35
|
12
|
7
|
2.5(9.5)
|
1200
|
35(0.24)
|
5
|
35(0.24)
|
40
|
|
24
|
4.8
|
3.2(12)
|
1300
|
35(0.24)
|
5
|
35(0.24)
|
40
|
|
|
DP-60
|
12
|
6
|
1.3(5.0)
|
1200
|
60(0.42)
|
5
|
60(0.42)
|
40
|
|
24
|
3
|
1.3(5.0)
|
1200
|
60(0.42)
|
5
|
60(0.42)
|
40
|
|
|
DP-60A
|
12
|
3.5
|
0.8(3.0)
|
375
|
60(0.42)
|
5
|
–
|
20
|
|
DP-100(A)
|
24
|
1.1
|
0.32(1.2)
|
375
|
100(0.68)
|
5
|
100(0.68)
|
10
|
|
DP-100
|
24
|
1.1
|
0.32(1.2)
|
375
|
100(0.68)
|
5
|
100(0.68)
|
10
|
|
DP-125
|
24
|
1
|
0.26(1.0)
|
375
|
125(0.86)
|
5
|
125(0.86)
|
10
|
|
DP-130(B)
|
12
|
2.2
|
0.45(1.7)
|
470
|
130(0.90)
|
5
|
125(0.86)
|
15
|
|
DP-130
|
24
|
1.2
|
0.45(1.7)
|
470
|
130(0.90)
|
5
|
/
|
15
|
|
12
|
2.2
|
0.45(1.7)
|
470
|
130(0.90)
|
5
|
/
|
15
|
1、如有用戶需要24VAC隔膜泵,可在訂單中說明;
2、單位換算:GPM-加侖/分;L/min-升/分;psi-磅/平方英寸;1加侖(美國)=3.785升;1MPa=145psi
3、本公司備有各類型的變壓器,若用戶無系統(tǒng)變壓設備,可增購適用變壓器,以使隔膜泵正常運行


1.安裝時,需拔出隔膜泵進出口的封蓋.
2.裝有隨泵附帶的進出口接頭,DP-130 DP-125 DP-100 DP-60型隔膜泵進出口采用ZG3/8″外牙G29/64″彎管接 ? ? ?頭;DP-35隔膜泵進出口采用3/8″外牙軟管接頭.?
3.泵應按水平安裝;如需垂直安裝時,泵頭應朝下.
4.在泵的進出管道中安裝一個過濾器,這是泵有效使用的保證.(DP-35型泵頭內已裝有過濾網(wǎng),無需安裝過濾器)
5.泵的底座分尼龍底座,鐵底座橡膠腳柱.??
|
型號
|
電壓(VDC)
|
電流(A)
|
流量GPM(LPM)
|
轉速(r/min)
|
壓力PSI(MPa)
|
吸程(m)
|
調壓開關PSI(MPa)
|
功率(W)
|
|
DP-35
|
12
|
7
|
2.5(9.5)
|
1200
|
35(0.24)
|
5
|
35(0.24)
|
40
|
|
24
|
4.8
|
3.2(12)
|
1300
|
35(0.24)
|
5
|
35(0.24)
|
40
|
|
|
DP-60
|
12
|
6
|
1.3(5.0)
|
1200
|
60(0.42)
|
5
|
60(0.42)
|
40
|
|
24
|
3
|
1.3(5.0)
|
1200
|
60(0.42)
|
5
|
60(0.42)
|
40
|
|
|
DP-60A
|
12
|
3.5
|
0.8(3.0)
|
375
|
60(0.42)
|
5
|
-
|
20
|
|
DP-100(A)
|
24
|
1.1
|
0.32(1.2)
|
375
|
100(0.68)
|
5
|
100(0.68)
|
10
|
|
DP-100
|
24
|
1.1
|
0.32(1.2)
|
375
|
100(0.68)
|
5
|
100(0.68)
|
10
|
|
DP-125
|
24
|
1
|
0.26(1.0)
|
375
|
125(0.86)
|
5
|
125(0.86)
|
10
|
|
DP-130(B)
|
12
|
2.2
|
0.45(1.7)
|
470
|
130(0.90)
|
5
|
125(0.86)
|
15
|
|
DP-130
|
24
|
1.2
|
0.45(1.7)
|
470
|
130(0.90)
|
5
|
/
|
15
|
|
12
|
2.2
|
0.45(1.7)
|
470
|
130(0.90)
|
5
|
/
|
15
|
1、如有用戶需要24VAC隔膜泵,可在訂單中說明;
2、單位換算:GPM-加侖/分;L/min-升/分;psi-磅/平方英寸;1加侖(美國)=3.785升;1MPa=145psi
3、本公司備有各類型的變壓器,若用戶無系統(tǒng)變壓設備,可增購適用變壓器,以使隔膜泵正常運行



